
CPU、GPU与ASIC功耗增长带来的挑战及应对
随着高性能计算和AI应用的普及,CPU、GPU和ASIC芯片的功耗呈现持续上升趋势,比如英伟达最新B300功率已达到芯片总功率1200W,以1V工作电压为例,则合计需要1200A电流。这种功耗增长对芯片的核心供电电路设计提出了严峻挑战。并且,更多的供电需求意味着成本控制方面也更加严格。
电源管理复杂度提升:
瞬态电流波动加剧,要求供电系统具备更快的响应能力。高性能CPU/GPU/ASIC负载波动可达1000A/μs,传统多相电源响应延迟导致电压过冲风险。
成本控制难题:
高功耗芯片需要配套更复杂的散热和电源模组,推高了整体系统成本。
由此,为应对上述挑战,芯片厂商对周边配套模组提出了明确要求:
效率提升:
核心供电系统需在有限空间内实现更高转换效率,以降低能量损耗。
成本优化:
对电源瞬态响应有较高提升,故此可以减少电容需求,从而降低BOM成本。
可靠性保障:
需适应芯片瞬态负载变化,避免电压波动导致的系统不稳定。
基于上述趋势,TLVR技术应运而生:
完美应对VRM等技术在瞬态响应等方面的劣势,在电源稳压,响应速度提升,成本与空间优化,能效提升等方面都有不俗的表现,市场反馈优异。
可以预测,未来服务器各类主芯片电源中,TLVR方案渗透率将持续增加,在分立式方案及电源模块方案中都将大批量应用。
TLVR及VRM方案简述
TLVR(Trans-Inductor Voltage Regulator)是一种通过耦合电感提升多相电源动态响应的技术,其核心在于利用变压器结构的电感,进行彼此耦合互联的多相电路替代传统分立式多相电路(VRM模式)。
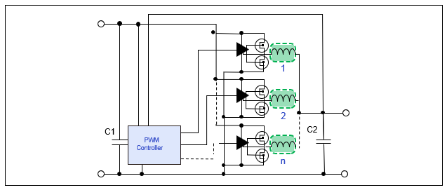
VRM供电模式:

VRM拓扑特点:
各相位都可以看做是单独的Buck电路,然后输出电流汇总为总电流。
其不足在于应对高瞬态负载时,占空比的调整是各相位是逐次进行,无法应对瞬时对大功率的需求。
VRM优势则体现在效率转换以及精准电压调节方面,并能有效减小输出电流纹波。
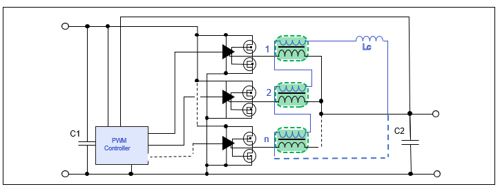
TLVR供电模式:

TLVR拓扑相关工作模式分析:
TLVR采用初次级耦合电感模式,并且各相电感通过次级绕组Lc相互连接,形成类似变压器的耦合网络。
关键点是当某一相因负载变化调整占空比时,耦合效应会同步影响其他相位的电流输出,实现快速响应。
在耦合路径中额外增加补偿电感(Lc),用于优化系统带宽和稳定性,避免因耦合过强导致的振荡问题。
TLVR方案的关键优势
动态响应机制,负载突变时,传统多相电源需逐相调整占空比,而TLVR通过耦合效应使所有相位电流同步变化,响应时间缩短至nS级。
瞬态响应极快:
尤其适合瞬时大电流需求(如1000A/μs)。通过耦合电感与补偿电感串联,实现相位间电流共享,响应速度比传统VRM方案快3-5倍,可稳定处理负载跳变,电压波动控制大幅提升。
降低输出电容需求:
减少后端电容数量,由于瞬态响应的改善,降低对稳压电容需求,从而可以节省30%-50%电容成本,使占板面积减少,适配高密度服务器布局。
效率与频率优化:
在相同瞬态性能下,TLVR无需以提升工作频率方式来加快各相位导通,故此允许降低开关频率(如从1MHz降至500kHz),从而减少开关损耗,从而提升转换效率。
TLVR最初是主要用于CPU供电的高效电压调节技术,通过多相并联架构实现低纹波、高动态响应的电流输出。后面随着AI芯片算力密度呈指数级增长,TLVR因其毫秒级负载响应能力和高转换效率,被逐步引入GPU/ASIC的供电设计。
SUNLORD TLVR电感产品介绍及优势分析:
深圳顺络电子股份有限公司,作为业内电感行业领头羊,在AI领域也已经深耕多年。在技术平台及产品大类中都有较多布局。
拥有多种高端大电流的技术平台:铜磁共烧技术、模压技术(干压、热压、超低压)、组装技术。
产品结构有如TLVR电感、多相电感、负耦合电感等都有成熟方案。同时,也有如钽电容、平面变压器等可以用于AI电源滤波及高压800V及48V等IBC相关成熟方案。相关产品都已经分别在各服务器终端客户及电源模块厂商处有较多应用。
而针对本文芯片核心供电用TLVR方案,顺络电子也可以为客户提供成熟产品,并且也同时也拥有定制化服务,其产品已经在业内拥有非常不俗的出货实绩。具体信息为
在CPU、GPU及ASIC核心供电方面顺络可以为客户提供如单相及多相组装类TLVR电感,单相及多相超低压TLVR模压电感等。
同时在各类定制化AI电源模块应用中,也可以提供各类VPD、LPD应用的带IO线及非IO线、TLVR及非TLVR类产品,可以应对如单相和多相电感产品需求。
顺络电子产品优势具体可以体现如:
满足多相拓扑中对TLVR电感绝缘耐压要求值。
其拥有的高端自研磁材及先进全自动产线,可以为客户提供高转化效率,高一致性的产品。
采用高饱和高频率及低损耗磁材,有效提升产品转换效率,以及降低产品损耗。
SUNLORD TLVR产品介绍:
顺络电子TLVR产品经历多次技术迭代,在种类及技术优势如转换效率、尺寸、DCR等都有较多优势。

拥有市场服务器大批量量产类组装电感如:0906、10056、1205、1206等尺寸。
拥有可定制化的新型高效率模压类TLVR产品:可支持单相、2相、3相、4相、5相。
拥有与TLVR电感WPZ0906AS2 Pin to Pin 的单线圈产品WPZ0906AS1,可同时应对VRM与TLVR同一基板的需求。
拥有可以彼此Pin to Pin 的TLVR电感WPZ1206CS2 和WPZ1205CS2系列产品。
在众多芯片端参考设计及电源模块厂商,及终端服务器厂商都有导入。
具体标准品规格可参照我司规格书(以下仅展示标准品规格):

※1: 所有的测试数据均在25℃环境温度进行;
※2: 饱和电流: 使电感值从初始状态下下降约20% 的直流电流值;
※3: 温升电流: 使产品表面温度从25℃升高( △ T =40℃ ) 的直流电流值。
※4: “□”代表电感公差,K±10%,L±15%.
顺络电子也可以在AI服务器领域提供各类解决方案,为客户提供全品类产品协助。
